致力于成為全球領先的
自動化解決方案平臺
? 防護等級提高P65
? 單獨進氣疊加模塊:在同一閥島上使用在不同壓力的場合,無需占用閥位可單獨為電磁閥供氣。
? 單獨排氣疊加模塊:在同一閥島上使用集中排氣時,閥與閥之間排氣互相影響導致執行元件誤動作,尤其是使用三位置中泄型閥和單作用氣缸場合,無需占用閥位可使用單獨排氣疊加模塊。
? 進氣截止疊加模塊(帶殘壓釋放):在同一閥島上不需切斷主閥島氣源可單獨切斷指定電磁閥的供氣同時殘壓排放,可實現帶氣插拔單獨維修更換電磁閥或氣缸。
? 中位止回疊加模塊(帶殘壓釋放):在同一閥島上配三位五通中泄式閥可實現氣缸長時間中間停止,配兩位五通閥可防止氣缸下落,以提高閥島的安全性能。
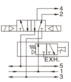
一:單獨進氣疊加模塊
1.運用場合:
(1)在同一閥島上,使用不同壓力的場合,作為不同壓力的供氣口使用;
(2)適用單電控/雙電控/三位置電磁閥;
(3)適用于內部先導和外部先導場合。
2.回路圖:
兩位雙電控閥
單獨進氣疊加模摸塊
匯流板

?
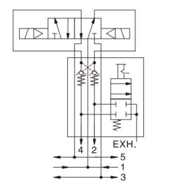
二:單獨排氣疊加模塊
1.運用場合:
(1)在同一閥島上,閥的排氣影響到其它閥時,可在此閥位增加單獨排氣疊加模塊;
(2)適用單電控/雙電控/三位置電磁閥;
(3)適用于內部先導和外部先導場合。
2.回路圖:
兩位雙電控閥
單獨排氣疊加模塊
匯流板

?
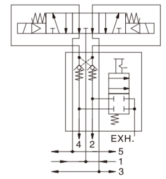
三:進氣截止疊加模塊(帶殘壓釋放)
1,運用場合:
(1)單獨切斷各閥的供氣時使用,即氣壓熱插拔,不停機可更換電磁閥;
(2)適用單電控/雙電控三位置中泄型、中壓型電磁閥;
(3)因殘壓無法釋放,配中封型電磁閥時,2、4通口配管請與三通閥等組合使用;
(4)因產品不能切斷外部先導氣源,所以只能用于內部先導場合。
2.手動桿操作說明:
(1)在PUSH位置使用一字螺絲刀將手動桿按壓到底,而后順時針旋轉90°至LOCK位置;
(2)手動桿解鎖,逆時針旋轉90°至PUSH位置。
3.回路圖:
兩位雙電控閥
進氣截止疊加模塊(帶殘壓釋放)
匯流板

?
四:中位止回疊加模塊(帶殘壓釋放)
1.運用場合:
(1)需要氣缸長時間保持中間位置時,配三位中泄閥使用,不可與三位中封型、中壓型及2個兩位三通電磁閥組合使用:
(2)配兩位置單、雙電控閥使用,可防止氣缸行程末端的落下;
(3)適用于內部先導和外部先導場合。
?
2.規格:
| 最高使用壓力 | 0.8MPa |
| 最低使用壓力 | 0.2MPa |
| 最高動作頻率 | 3次/秒 |
?
3.回路圖:
兩位雙電控閥
中位止回疊加模塊
(帶殘壓釋放)
匯流板
防止落下:配兩位雙電控閥

?
三位中泄閥
中位止回疊加模塊
(帶殘壓釋放)
匯流板
中間保持:配三位中泄閥


?
訂貨舉例:單獨進氣疊加模塊?6氣管,ERP編碼為SVMTMP522
?

備注:
1、①YU/H因氣復位形式,故無外部先導功能。YKUK/HK為彈簧復位結構,可選外部先導式。
2、②進排氣模塊進氣口接管為C4/C6/C8時,排氣口默認組裝消聲器,1/8接管時,排氣口默認不組裝消聲器。
3、③壓力分區特性同ESVT系列。
4、④單獨進氣疊加模塊有?6/?4/?8三種接管可選。
5、⑤進氣截止疊加模塊無法切換外部先導氣,因此不能用于外部先導場合。
6、⑥中位止回疊加模塊不可用于三位五通(中封)、三位五通(中壓)及2個兩位三通閥位,即W不可與C/PYH/U/YK/HK/UK組合。
?
訂購碼基本原則:
當相鄰兩個或多個閥位功能一樣時,用相同閥位總數的數字表示,比如第一至四閥位都是雙電控電磁閥,并且這4個閥位都含單獨進氣疊加模塊,則代碼為DMDMDMDM,簡化為4DM,此原則適用于所有閥組或閥島訂購碼。
?
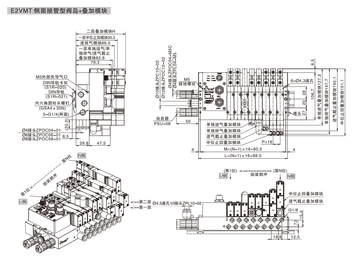
1、同規格閥,一層相同疊加模塊時:S系列標準型,2系列,側面接管,識別碼T,PROFINET總線協議,輸出32點,8位均為兩位五通雙電控電磁閥SMT5222,第一至第六閥位均配單獨進氣疊加模塊?6氣管,工作口?6氣管接頭,工作電壓DC24V,內部先導式,配線方式為雙電控配線,進排氣口為兩側無消音器、接頭、堵頭,G牙。
其ERP編碼為:ES2VMT-PN32-6DM2D-C6E4。
2、不同規格閥,一層不同疊加模塊時:S系列標準型,2系列,側面接管,識別碼T,PROFINET總線協議,輸出32點,第一至四閥位均為二位五通雙電控電磁閥SVMT5222,第五至七閥位均為三位五通中泄型電磁閥SVMT5322E,第八閥位為盲板,第一二閥位配單獨進氣疊加模塊?6氣管,第三四閥位配單獨排氣疊加模塊,第五閥位配進氣截止疊加模塊,第六七閥位配中位止回疊加模塊,工作口?6氣管接頭,工作電壓DC24V,內部先導式,配線方式為雙電控配線,進排氣口為兩側無消音器、接頭、堵頭,G牙。
其ERP編碼為:ES2VMT-PN32-2DM2DXEV2EWB-C6E4。
3、不同規格閥,兩層不同疊加模塊混裝時:S系列標準型,2系列,側面接管,識別碼T,PROFINET總線協議,輸出32點,第一第二閥位均為兩位五通雙電控電磁閥SVMT5222,第三閥位為進排氣模塊,第四五閥位均為兩位五通單電控電磁閥SVMT5221,第六七八閥位均為三位五通中泄型電磁閥SVMT5322E,第四閥位配單獨進氣疊加模塊?6氣管,第五閥位配單獨排氣疊加模塊,第六閥位配進氣截止疊加模塊,第七閥位配中位止回疊加模塊,第八閥位第一層配單獨進氣疊加模塊?6氣管,第二層配中位止回疊加模塊,工作口?8氣管接頭,工作電壓DC24V,內部先導式,配線方式為雙電控配線,U側安裝消音器、PL接頭,安裝DIN導軌卡扣及1米DIN導軌,G牙。
其ERP編碼為:ES2VMT-PN32-2 DNSMSXEVEWEMW.-C8E4-UL-D(如下圖)

?


